asco电磁阀wsnf8551g321mo-k8凯发官网入口

工业自动化控制系统配套商

24小时内快速提供k8凯发官网入口的解决方案

艾迅自动化控制系统配套产品一应俱全
返回k8凯发官网入口的产品中心
电磁阀
  • asco电磁阀wsnf8551a321mo
  • asco电磁阀wsnf8551a321mo
  • asco电磁阀wsnf8551a321mo
asco电磁阀wsnf8551a321mo

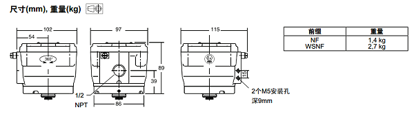
*产品名称:asco电磁阀wsnf8551a321mo单线圈  不锈钢阀体 2位5通 隔爆  带不锈钢接线盒

*阀体材质:不锈钢材质


       asco电磁阀wsnf8551a321mo 单线圈  不锈钢阀体 2位5通 隔爆  带不锈钢接线盒,单线圈滑阀, 用作执行器先导阀, 工作压力范围宽 , 无操作压差;ptfe平衡环 , 石墨填充ptfe密封 , 减少摩擦和粘附;, 不锈钢 h级绝缘材质;低功耗设计;低温应用设计;标准dc线圈带峰值抑流二极管及金属外壳;

asco电磁阀wsnf8551a321mo 图片



asco电磁阀wsnf8551a321mo-1

asco电磁阀wsnf8551a321mo-2

asco电磁阀wsnf8551a321mo-3

asco电磁阀wsnf8551a321mo产品特点

product features

01

单线圈滑阀

02

5/2, 5/3先导式滑阀, 螺纹连接

03

阀体上所有的排气口均可连接, 以提供更好的防护 , 特别适用于敏感区域, 例如洁净室 , 药厂和食品厂。

04

阀体提供更好的防护性能, 不易受外界杂质如液体 , 灰尘等干扰 (防尘结构 )

05

可通过改动垫片的方向将阀改为外置先导式

06

可通过改动垫片的方向将阀改为外置先导式

07

电磁阀

 

asco电磁阀wsnf8551a321mo选型指导

product features

1

选择基本型号, 包括代表螺纹标准的前缀字母, 见上一页的参数表 示例 :8551a321

2

选择 (组合) 前缀,见上一页的参数表和本页的前缀表, 注意符合相关的功耗 示例:wsnf

3

选择 (组合) 后缀, 见本页的后缀表, 示例:mo

4

选择电压, 见下页的标准电压 示例: 24vdc

5

型号/订购号 示例 : wsnf8551a321mo 24vdc


asco电磁阀vcevcm8551g321mo订购示例

asco电磁阀vcevcm8551g321mo参数

wsnf线圈3


 

公司实力 company strength
配套实力

配套实力控制系统成套源头厂家,阀箱进口品牌代理商

  • 专注自动化控制设计与生产集成,是国内阀箱成套具有规模的生产厂家。同时也是美国dwyer、美国asco、topworx阀位开关、teguar工业电脑、上泰仪表、威图等品牌一级代理商。
技术团队

技术团队拥有软硬件开发工程师,满足控制系统集成定制需求

  • 技术核心人员均具有10-20年自动化、系统集成、软件开发等的技术经验,荣获多项软件著作及专利证书,满足为环保、化工、造纸、医药、电力等行业自动化控制系统集成配套定制需求。
方案定制

方案定制10年自动化控制系统集成经验,快速提供k8凯发官网入口的解决方案

  • 有20年自动化控制经验的工程师带领,根据应用及需求。严谨规划结合实际需求量身定制专职工程师根据工艺结合用户需求及行业特性提供控制系统集成k8凯发官网入口的解决方案。
服务保障

服务保障成熟的服务体系,一对一解决客户问题

  • 所有产品均为原装正品,保质保量。24小时内响应,定期售后回访拥有成熟的技术团队和k8凯发官网入口的售后服务团队,可提供7*24小时技术服务。
企业风采corporate style

艾迅企业风采

网站地图